特殊定制類電流互感器
-
18701997389
-
18217418816
● AKH-L零序電流互感器
| 額定電流比(A) | 準確級 | 額定輸出(VA) |
| 60-75/1 | 10P10 | 1 |
| 100/1 | 1.5 | |
| 150/1 | 2.5 | |
| 200/1 | 3.75 | |
| 300/1~600/1 | 5 | |
| 150-200/5 | 2.5 | |
| 300-400/5 | 5 | |
| 500/5 | 7.5 | |
| 600/5 | 10 |
?
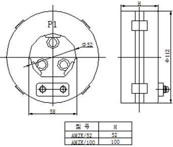
● AMZK系列電流互感器
| 規格 | 額定電流比 | 準確級及相應額定負荷(VA) | 電纜孔徑 | 安裝方式 | ||
| 0.5級 | 1.0級 | 3.級 | ||||
| AMZK52 | 150-200/5(1)A | 1.5 | ? | ? | Ф52 | 膠圈 |
| 250-350/5(1)A | 2.5 | ? | ? | |||
| 400-600/5(1)A | 5.0 | ? | ? | |||
| AMZK100 | 50-80A/5(1)A | ? | ? | 1.5 | ||
| 100-150A/5(1)A | ? | 2.5 | ? | |||
| 200-300A/5(1)A | 5 | ? | ? | |||
● AKH-L零序電流互感器
?
● AMZK系列電流互感器
● AKH-L零序電流互感器
● JDG4-0.5電壓互感器
● 空壓機專用互感器
● 環網柜專用互感器
















